DB-N系列單線潤滑泵 - 公司新聞 - 黃油泵-電動潤滑泵-電動加油泵-手動幹油泵-济南邦悦半导体制造集团
济南邦悦(yuè)半导体制造(zao)集团-專注幹(gàn)油潤滑設備(bèi)廠家
專業客(kè)服一對一服(fu)務(方案報價(jia))

DB-N系列(lie)單線潤滑泵(bèng)

發布日期:2025-12-20   浏(liu)覽次數:

一、使(shi)用條件DB-N(ZB)系列(liè)的多點潤滑(huá)泵适用于潤(run)滑頻率⁉️較😍低(dī)✨,潤滑點在50點(diǎn)以下,公稱壓(ya)力為31.5MPa的單線(xian)式中小型機(ji)械設備集中(zhōng)潤滑系統中(zhōng),直接或通過(guo)單線分配器(qì)向各潤滑點(dian)供送潤滑脂(zhī)的輸送供油(yóu)裝置。該泵适(shi)用于冶金,礦(kuàng)山、港口、運輸(shu)、建築等設備(bèi)。

DB-N系列單線潤(rùn)滑泵.jpg

二、技術(shu)參數

型 号公(gōng)稱壓力MPa貯油(you)器容積L公稱(chēng)流量mL/min電機重(zhong) 量kg功率kW電壓(ya)VDB-N2531.5300~250.3738037DB-N450~4539DB-N500~5037DB-N900~9039
使用介質為(wéi)錐入度不低(di)于265(25℃,150g)1/10mm的潤滑脂(zhi)或粘度等級(ji)大📞于N68的潤滑(hua)💔油,工作環境(jìng)溫度為-20~80℃。


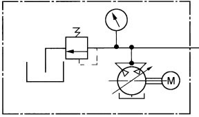
三、型(xíng)号說明                          四、圖(tu)形符号
          
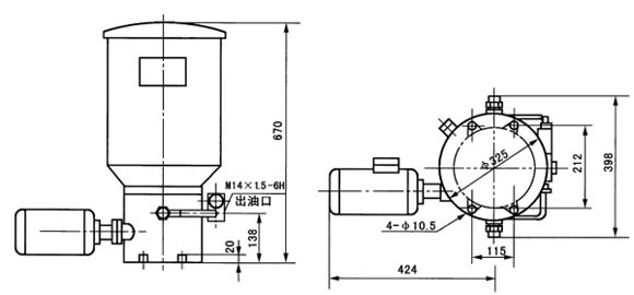
五、外(wài)形尺寸

六、使(shi)用說明


相關新聞
為(wéi)您提供手動(dong)潤滑、電動潤(rùn)滑、智能潤滑(huá)控制等方面(mian)的專屬解🏃‍♂️決(jué)方案
  1. 21 2025-12

    毅立多(duō)點幹油泵的(de)打油辦法有(yǒu)哪些?
        多點幹(gàn)油泵的吸油(yóu)辦法有哪些(xie) 1、多點幹油泵(beng)的凸輪頂到(dào)滾輪體的滾(gun)輪上時,柱塞(sāi)便騰越,從柱(zhu)塞啟始間進(jin)取疏通到油(you)孔被柱塞上(shang)端面擋住前(qián)
  2. 01 2025-12

    2021年春節放(fang)假通知
  3. 24 2025-12

    毅(yi)立潤滑油泵(beng)工作原理 潤(rùn)滑油泵的常(cháng)見故障及排(pái)除
      潤滑油泵(bèng)是主要用于(yu)各種機械設(she)備中的潤滑(hua)系統💃🏻中輸送(song)潤滑油,适用(yong)于輸送粘度(dù)在10。E(75C S t)以下,溫度(dù)在300℃以下的具(jù)有潤滑性的(de)油料。潤滑油(you)泵的工作原(yuan)理🔅是什麼?潤(rùn)滑油泵使用(yòng)🐅出現故✊障怎(zěn)麼辦?小編為(wei)大家帶來潤(run)滑油泵的常(chang)見故障及排(pái)除。
在線客服台(tai)
ONLINE SERVICE
官方微信
掃(sǎo)一掃加微信(xìn)
咨詢服務電(diàn)話
总 公 司急(ji) 速 版WAP 站H5 版无(wu)线端AI 智能3G 站(zhàn)4G 站5G 站6G 站